TEL: 021-37528292

直流固态继电器

直流固态继电器

联系人 : 嵇先生

电话 : 021-37528292

手机 : 13636400688

传真 : 021-37528292

地址 : 上海市奉贤区南桥镇新民港路175-16号


产品详情

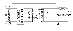
 一. 直流固态继电器产品特点  ① 控制回路与负载回路之间光电隔离.  ② 拥有10-80A直流输出  ③ 使用时需配适当散热器,必要时加强迫风冷.  ④ 控制信号与TTL逻辑兼容;  ⑤ 阻燃工程塑料外壳,金属底板  ⑥ 用途广范,可用于直流阻性感性负载:如喷泉,娱乐设施,医疗器械,烘箱,直流电机,电气开关柜,自动化控制等设备  二.直流固态继电器产品概述  直流固态继电器采用阻燃工程塑料外壳,造型别致,结构新颖,自升螺丝压接式接线,配有安全盖,使安装、检查方便快捷、安全可靠.  直流固态继电器是输入输出间采用光电或电磁脉冲隔离技术,用功率晶体管或大功率MOS管,IGBT管等器件,代替传统电磁线圈有触点的继电器具有寿命长、可靠性高、开关速度快、抗干扰能力强,电磁干扰小、无噪声、无火花等特点,由于直流固态继电器上述一系列特性,目前广泛应用于直流电机驱动,通讯与网络设备,计算机终端产品,数字音响,视频设备,自动化控制系统,以及仪器仪表,医疗器械,娱乐设施,喷泉等场合.特别适用于腐蚀、潮湿、防尘、要求防爆等恶劣环境,及频繁开关的场合.

三. 以下是直流固态继电器参数:
型 号

SSR-10DD,SSR-15DD,SSR-20DD,SSR-25DD,SSR-40DD,SSR-50DD,SSR-60DD,SSR-80DD




控制方式4-32VDC(直流)
输入电流大于5mA
工作指示LED
通断时间≤1mS(毫秒)
可靠关断电压小于0.8VDC



输出电压直流6-110VDC(10-25A),直流6-480VDC(10-80A)
额定工作电流10A,15A,20A,25A,40A,60A,80A
通态压降≤0.1Vdc
最小导通电流10mA
断态漏电流小于1mA



介质耐压2500VAC,1分钟
绝缘电压≥2500V
绝缘电阻≥100MΩ
工作温度—35~75 ℃
电源频率/
散热条件可以用YS-D1,YS-D2,YS-S1
负载电流安全系数阻性负载取2倍以上,感性负载取3倍以上
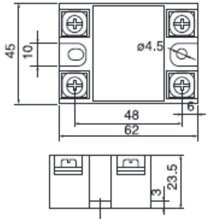
外形尺寸965.5L×45.0W×23.5H
重量130g



四. 直流固态继电器外形尺寸和安装接线图:(单位:mm)
 

温度曲线图:

五. 固态继电器产品选用注意事项:
 ● 选择产品时,应根据负载的性质不同,在电流档次上留有不同的余量。(阻性负载时,可按2-3倍负载电流选取。感性或容性负载时,可按3-5 倍负载电流选取)。 
 ● 根据负载电流与环境温度的关系,当环境温度较高或散热条件欠佳时。应增加电流容量。为防使用时负载短路,要求在负载回路中串接与本产品相应的快速断路开关或快速熔断器。 
 ● 感性负载时,应在输出端并接压敏电阻,以防过压时损坏晶闸管。压敏电阻(MOV)的选配:240V档时选430-470V,440V档时选680-750V, 660V档时选1100-1200V。 
 ● 安装时,要求散热器与本产品接触面之间必须平整、光洁,并在其表面均匀涂上一层导热硅脂,最后再将套上平垫圈、弹簧垫圈的螺丝对称拧紧固定。
 ● 当固态继电器首次工作停机后,应趁其尚有余温再紧固一下固定螺钉,以使固态继电器底板和散热器表面能够紧密接触,达到最佳散热效果。
 ● 不同型号固态继电器其标称电流是在环境温度为40℃时的标称电流,所以散热要充分!!